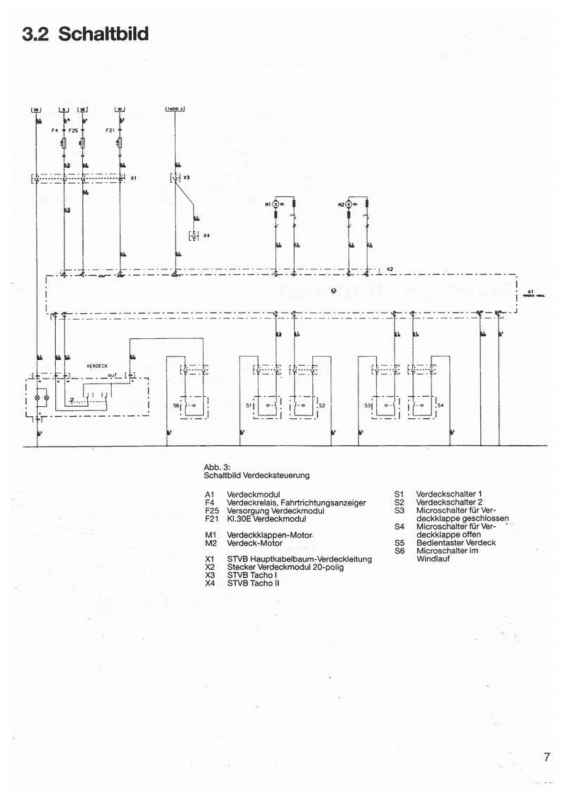
elektrisches Verdeck E 30 Baujahr 1992
Hallo,
ich weis , das Thema ist alt... Doch nach der Winterpause geht mein el. Verdeck nicht mehr. Die Batterie ist defekt und war komplett leer.
Was habe ich gemacht.
- neue Batterie eingebaut.
- Sicherung überprüft. da kein Strom am Steuergerät ankommt.
- nach klassischer Anleitung versucht wieder anzulernen.
nun geht es nicht mehr.
Ich habe die beiden Motoren im Kofferraum entriegelt und das Verdeck im Kastan abgelegt. Damit der mittlere Motr wider einrastet, habe ich die Verzahnung ein wenig verdreht.
Wer kennt sich aus oder kennt einen Fachmann? Bei BMW runzelt man die Stirn. Ich bin auch gerne bereit für die Hilfe einen Obulus zu bringen.
Mein Standort ist 76887 Bad Bergzabern.
Danke an alle
Schmitzel

![[image]](images/uploaded/201804171337015ad5f87daec92.jpg)
![[image]](images/uploaded/201804172043045ad65c588f0c8.jpg)